Ref No
Part Number
Description
Serial Range
Qty
Price
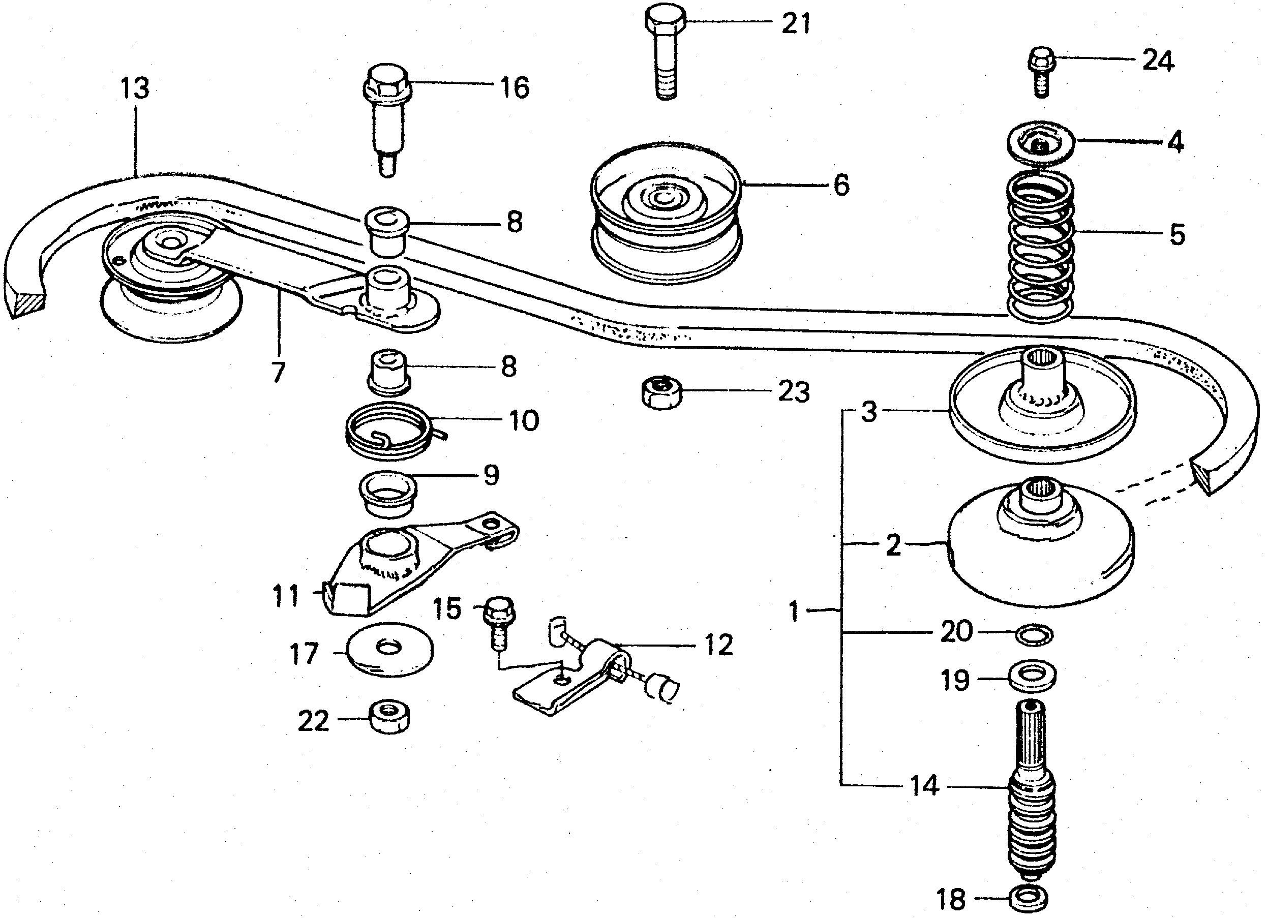
Ref No 1
Part Number 06221-960-305
Description PULLEY KIT, DRIVE (NOT AVAILABLE)
Serial Range 1000001 - 9999999
Ref No 2
Part Number 22110-960-771
Description FACE, DRIVEN
Serial Range 1000001 - 9999999
Qty
Price $30.32
Add To Cart
Ref No 3
Part Number 22120-960-770
Description FACE, MOVABLE DRIVEN
Serial Range 1000001 - 9999999
Qty
Price $24.46
Add To Cart
Ref No 4
Part Number 22124-952-770
Description SEAT, SPRING (NOT AVAILABLE)
Serial Range 1000001 - 9999999
Ref No 5
Part Number 22125-952-770
Description SPRING, DRIVEN FACE
Serial Range 1000001 - 9999999
Qty
Price $6.62
Add To Cart
Ref No 6
Part Number 22510-952-770
Description ROLLER
Serial Range 1000001 - 9999999
Ref No 7
Part Number 22520-960-770
Description ARM, TENSIONER (NOT AVAILABLE)
Serial Range 1000001 - 9999999
Ref No 8
Part Number 22524-952-770
Description BUSH, TENSIONER ARM
Serial Range 1000001 - 9999999
Qty
Price $9.58
Add To Cart
Ref No 9
Part Number 22525-952-770
Description BUSH, CHANGE ARM
Serial Range 1000001 - 9999999
Ref No 10
Part Number 22526-952-770
Description SPRING, TENSIONER ARM (NOT AVAILABLE)
Serial Range 1000001 - 9999999
Qty
Price $5.28
Add To Cart
Ref No 11
Part Number 22531-960-770
Description ARM, CHANGE (NOT AVAILABLE)
Serial Range 1000001 - 9999999
Qty
Price $13.00
Add To Cart
Ref No 12
Part Number 22536-960-770
Description HOLD, CHANGE WIRE (NOT AVAILABLE)
Serial Range 1000001 - 9999999
Ref No 13
Part Number 23161-952-771
Description V-BELT (35)
Serial Range 1000001 - 9999999
Qty
Price $35.82
Add To Cart
Ref No 14
Part Number 23411-960-770
Description GEAR, DRIVE
Serial Range 1000001 - 9999999
Ref No 15
Part Number 90013-883-000
Description BOLT, FLANGE (6X12) (CT200)
Serial Range 1000001 - 9999999
Ref No 16
Part Number 90104-952-770
Description BOLT, TENSIONER ARM
Serial Range 1000001 - 9999999
Qty
Price $5.30
Add To Cart
Ref No 17
Part Number 90401-952-770
Description WASHER, PLAIN (8MM) (NOT AVAILABLE)
Serial Range 1000001 - 9999999
Ref No 18
Part Number 90443-844-000
Description WASHER, THRUST (8MM) (NOT AVAILABLE)
Serial Range 1000001 - 9999999
Qty
Price $0.84
Add To Cart
Ref No 19
Part Number 90459-107-000
Description WASHER, THRUST (12MM)
Serial Range 1000001 - 9999999
Qty
Price $1.74
Add To Cart
Ref No 20
Part Number 91205-952-771
Description O-RING (11.7X1.2) (NOT AVAILABLE)
Serial Range 1000001 - 9999999
Ref No 21
Part Number 92101-10028-0A
Description BOLT, HEX. (10X28)
Serial Range 1000001 - 9999999
Ref No 22
Part Number 94001-08000-0S
Description NUT, HEX. (8MM)
Serial Range 1000001 - 9999999
Qty
Price $1.60
Add To Cart
Ref No 23
Part Number 94001-10000-0S
Description NUT, HEX. (10MM)
Serial Range 1000001 - 9999999
Qty
Price $1.76
Add To Cart
Ref No 24
Part Number 95701-06012-00
Description BOLT, FLANGE (6X12)
Serial Range 1000001 - 9999999
Qty
Price $1.98
Add To Cart